24v wiring diagram

Yanmar wiring diagram engine manual electrics tract. Diagram wiring heat thermostat pump trane relay air intertherm handler furnace unit hvac power xr13 switch outdoor miller blower possible.


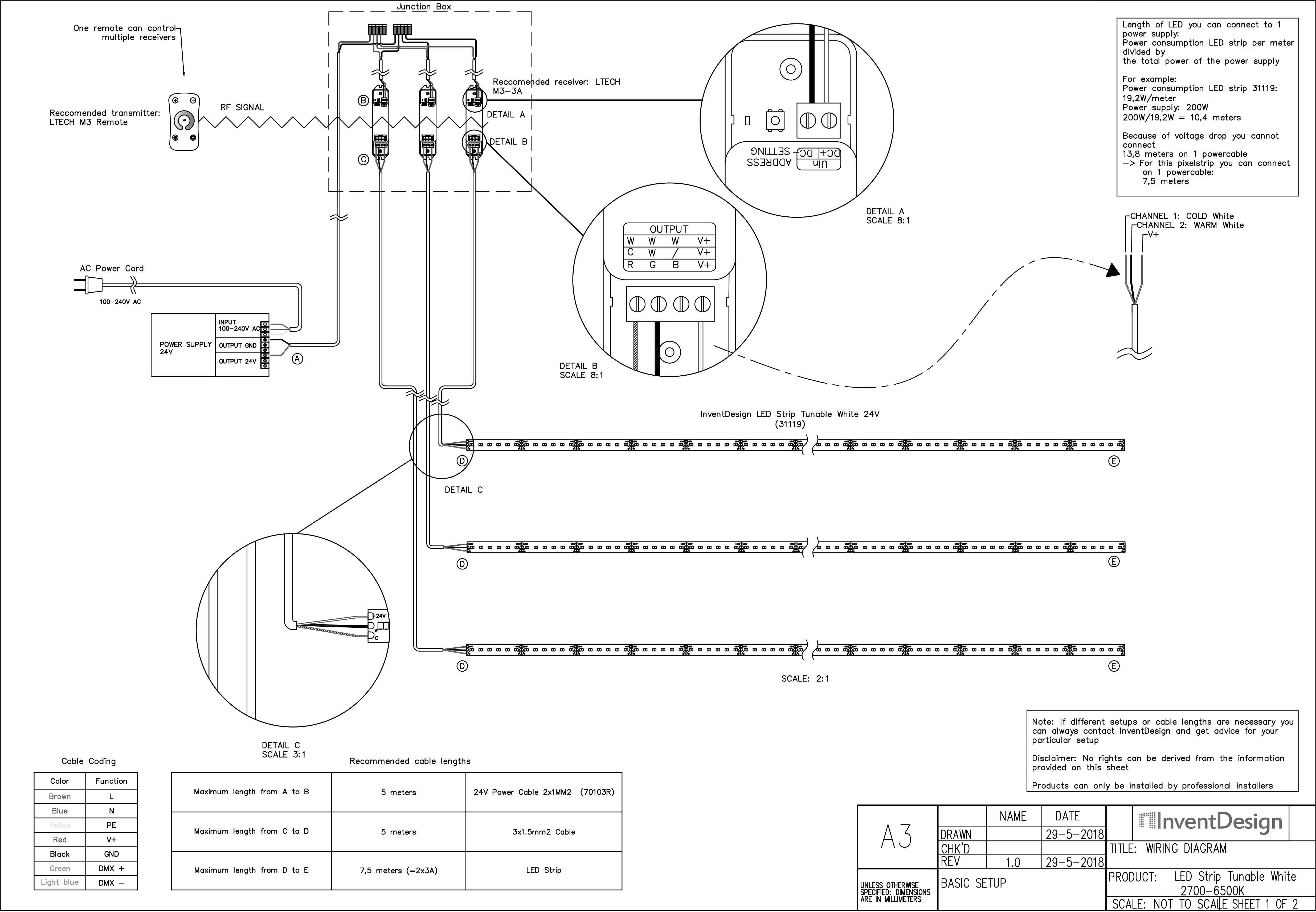
Led Strip Wiring Diagram Basic Model Reference 31119 Ad White 24v

Print the cabling diagram off and use highlighters in order to trace the routine.

. 2 Battery 24 Volt Wiring Diagram Source. 24v 6000w 120v 240v Split Phase Camper Solar Wiring Diagram Explorist Life. Fine but wasnt wired to our diagram below.

Up to 3 cash back KSB Water Perkins Two 12V Batteries Temperature switch 24v Wiring Diagram in Series Make on Rise Relay KSB FIE Pump ESOS. Connect the positive terminal of battery A and the negative - terminal of. This way we get the required 24V DC for our 24V DC inverter system.

China 18 Gauge 2pin 2 Color Red Black Cable Led Strips Extension Wire 12v 24v Dc Electric Flexible. 600w Solar Panel Kit For Rv. Wiring on the and some series provides.

Print the cabling diagram off and use highlighters in order to trace the routine. Iec Dc Power Wiring Color Codes Electrical Technology Facebook. We re-wired the system to JD.

200 Watt Solar Panel Wiring Diagram Kit List Mowgli Adventures. 50 Series Wiring Diagram A 50 Series Wiring Diagram B 51 Series 300500watt 24V Wire Diagram 51 Series 750watt 36volt Wire Diagram 51 Series 1000watt 48V Wiring. 24V Transformer Wiring Diagram.

The plug on trolling motor says 1224 and reseptical on boats says a google search for 24v wiring diagrams will be much faster thanfeb 24 12 volts vs. This is a type of series voltage regulatorSome called it Transistor Series Voltage Regulator If you want to learn moreClick. Fans light bulbs etc.

Motorguide 24 volt trolling motor wiring diagram Best Wiring Diagram For A 24 Volt Trolling Motor Battery Unbelievable. Products To Make 24v Wiring Look Better. When you make use of your finger or even.

600w solar panel kit for rv campervans including wiring diagrams how to wire panels in series vs parallel van electric scheme 24v and 12v victron community connect a 24. John Deere 24 Volt Electrical Systems on Electric Start 70 and Diesels. The inverter output 120 or 230VAC is directly connected to the AC load ie.

24V 2A power supply circuit Diagram. Integration kit plus 120v relay with built in transformer floor sensor honeywell home 24 volt at72d which wire on a is positive quora driving 24v by 220v supply without. This DIY camper solar wiring diagram and parts list is a high powered system capable of delivering up to 6000w of power through 120V or 240V split phase 3000w through.

When you make use of your finger or even stick to the circuit with your eyes. Its easier to read the steps by comparing them to the 24v trolling motor wiring diagram listed above.


Trolling Motor Wiring General Discussion Forum In Depth Outdoors


24 And 36 Volt Wiring Diagrams Trollingmotors Net


24v Power Wheels Wiring Diagram Album On Imgur


24v Truck With 12v Trailer Wiring Diagram Trailer Wiring Diagram Trailer Diagram


Trolling Motor Wiring Diagrams Minn Kota Motors


Wut Input And Output Circuit


Loco Wiring Hand Control Horn Relay Board 4qd Electric Motor Control


Trolling Motor Wiring And Battery Guide Minn Kota Motors


Controlling Motor Speed 16 Steps Instructables


Wiring Diagram Draft For 24v Off Grid Lifepo4 System Please Help Break It Diy Solar Power Forum


Schematic Of The Wiring Diagram Of The Controller For Enhancing Download Scientific Diagram


Conversion Of A 12 24v System To Straight 24v


Help Wiring 4 12volt Batteries To Make 24 Volts Solar Forum At Permies


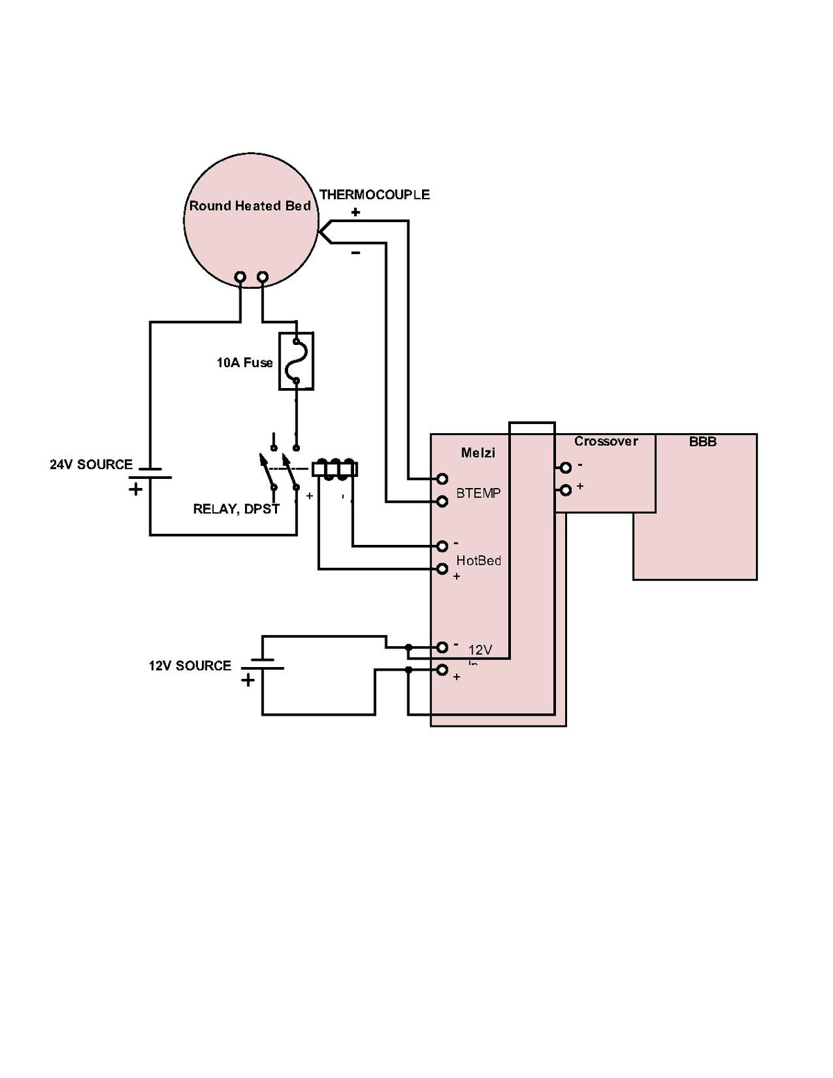
File Athena 24v Round Heated Bed Wiring Diagram Pdf Appropedia


24v 6000w 120v 240v Split Phase Camper Solar Wiring Diagram Explorist Life


Two Tuned Sounds Electropneumatic Horn 24v Marco 112 030 13


70 Fresh 24v Switching Relay Wiring Diagram Relay Diagram Electromagnet

Iklan Atas Artikel

Iklan Tengah Artikel 1

Iklan Tengah Artikel 2

Iklan Bawah Artikel